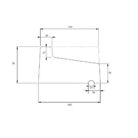
Door een raamdorpel beton 16,9,5/5 cm voor je raam te plaatsen ben je ervan verzekerd dat het onderliggende metselwerk vrij blijft van vocht. ‘Waarom is dit nu precies van belang?’ vraag je je misschien af. Dit komt doordat een (te) lange blootstelling aan vocht ervoor kan zorgen dat het metselwerk zal gaan brokkelen. Hierdoor wordt het mogelijk noodzakelijk om het metselwerk vroegtijdig te repareren. Door een raamdorpel van beton aan te schaffen kan je dit voorkomen. De bovenstaande raamdorpels hebben een diepte van 16 cm. De achterkant is 9,5 cm hoog en loopt af tot 5 cm aan de voorkant. Het is mogelijk om deze producten op maat te laten zagen tot een lengte van 180 cm. Verkrijgbaar in de kleuren grijs of antraciet en gemaakt van zelfverdichtend beton.
Het belang van een raamdorpel beton 16x9,5/5 cm
Mocht je nog geen raamdorpels voor je woning hebben aangeschaft raden wij je aan om hier zo spoedig als mogelijk mee aan de slag te gaan. Ten eerste zullen deze betonproducten ervoor zorgen dat je raamwerk komt te beschikken over een mooie uitstraling. Doordat deze raamdorpels zijn voorzien van een waterhol zal het water niet langs de muren naar beneden stromen. Het metselwerk van de muren blijft vrij van vocht, waardoor je bespaart op eventuele vroegtijdige reparatiekosten. Meer dan genoeg redenen om dus te kiezen voor een raamdorpel beton 16x9,5/5 cm uit ons assortiment.
De montage
Wanneer je zelf aan de slag wilt gaan met het monteren van raamdorpels is het belangrijk dat je weet hoe je precies te werk moet gaan. Uiteraard is het allereerst belangrijk dat je precies weet welke afmetingen je nodig hebt. Houdt er rekening mee dat deze producten niet geretourneerd kunnen worden, aangezien deze op maat worden gemaakt. Zet de raamdorpel beton 16x9,5/5 cm vast in betonmortel en werk de voegen af met kit. Controleer na afloop altijd of de raamdorpels goed vastzitten.
Stel je vragen aan onze medewerkers
Onze medewerkers helpen je graag verder met meer informatie over deze betonproducten uit ons assortiment. Twijfel dan ook geen moment om contact met ons op te nemen door te bellen, te mailen of te WhatsAppen. Wij vertellen je graag alles wat je wilt weten over een raamdorpel beton 16x9,5/5 cm uit ons assortiment.
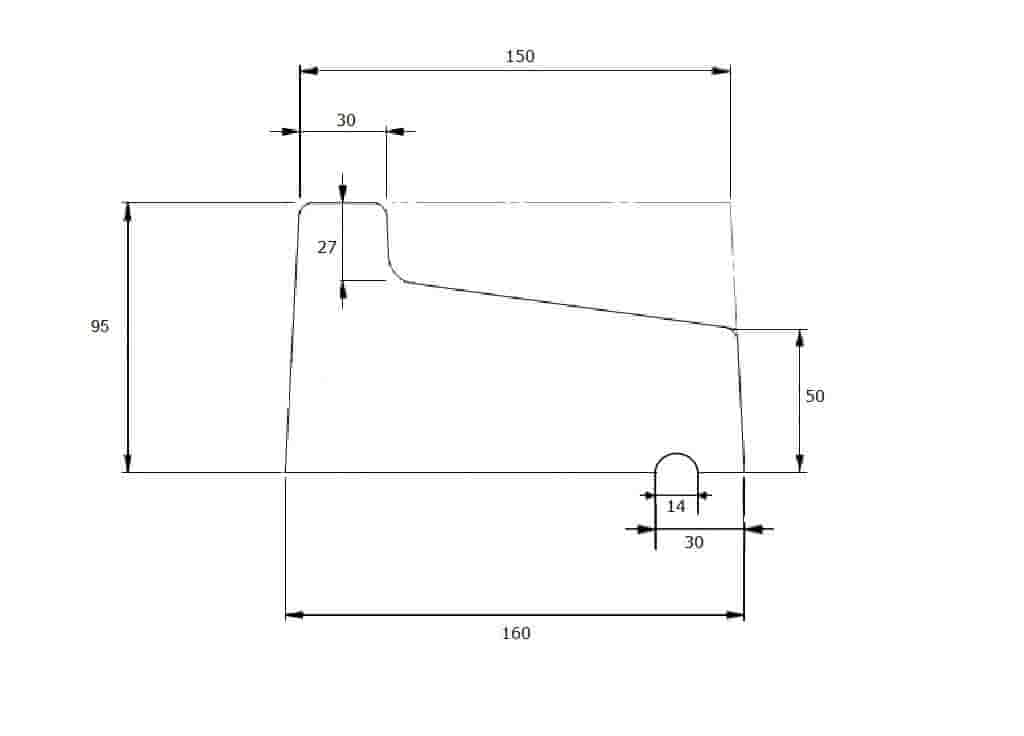
Door een raamdorpel beton 16,9,5/5 cm voor je raam te plaatsen ben je ervan verzekerd dat het onderliggende metselwerk vrij blijft van vocht. ‘Waarom is dit nu precies van belang?’ vraag je je misschien af. Dit komt doordat een (te) lange blootstelling aan vocht ervoor kan zorgen dat het metselwerk zal gaan brokkelen. Hierdoor wordt het mogelijk noodzakelijk om het metselwerk vroegtijdig te repareren. Door een raamdorpel van beton aan te schaffen kan je dit voorkomen. De bovenstaande raamdorpels hebben een diepte van 16 cm. De achterkant is 9,5 cm hoog en loopt af tot 5 cm aan de voorkant. Het is mogelijk om deze producten op maat te laten zagen tot een lengte van 180 cm. Verkrijgbaar in de kleuren grijs of antraciet en gemaakt van zelfverdichtend beton.
Het belang van een raamdorpel beton 16x9,5/5 cm
Mocht je nog geen raamdorpels voor je woning hebben aangeschaft raden wij je aan om hier zo spoedig als mogelijk mee aan de slag te gaan. Ten eerste zullen deze betonproducten ervoor zorgen dat je raamwerk komt te beschikken over een mooie uitstraling. Doordat deze raamdorpels zijn voorzien van een waterhol zal het water niet langs de muren naar beneden stromen. Het metselwerk van de muren blijft vrij van vocht, waardoor je bespaart op eventuele vroegtijdige reparatiekosten. Meer dan genoeg redenen om dus te kiezen voor een raamdorpel beton 16x9,5/5 cm uit ons assortiment.
De montage
Wanneer je zelf aan de slag wilt gaan met het monteren van raamdorpels is het belangrijk dat je weet hoe je precies te werk moet gaan. Uiteraard is het allereerst belangrijk dat je precies weet welke afmetingen je nodig hebt. Houdt er rekening mee dat deze producten niet geretourneerd kunnen worden, aangezien deze op maat worden gemaakt. Zet de raamdorpel beton 16x9,5/5 cm vast in betonmortel en werk de voegen af met kit. Controleer na afloop altijd of de raamdorpels goed vastzitten.
Stel je vragen aan onze medewerkers
Onze medewerkers helpen je graag verder met meer informatie over deze betonproducten uit ons assortiment. Twijfel dan ook geen moment om contact met ons op te nemen door te bellen, te mailen of te WhatsAppen. Wij vertellen je graag alles wat je wilt weten over een raamdorpel beton 16x9,5/5 cm uit ons assortiment.
Voorzien van waterhol:
ja
Diepte:
16 cm
Lengte:
tot 180 cm mogelijk
Hoogte voorkant:
5 cm
Hoogte achterkant:
9,5 cm
Kleur:
grijs, antraciet of terracota
Soort beton:
zelfverdichtend beton
Voorzien van waterhol:
ja
Diepte:
16 cm
Lengte:
tot 180 cm mogelijk
Hoogte voorkant:
5 cm
Hoogte achterkant:
9,5 cm
Kleur:
grijs, antraciet of terracota
Soort beton:
zelfverdichtend beton
Bram 11-03-2026 12:30
top geregeld
goed geregeld en snel
HN 05-01-2026 11:22
Goed geholpen
Het product is precies wat ik zocht prima
patrick 19-09-2023 12:43
Lekker dichtbij en niet te duur.
Huub 25-04-2022 16:36
Vriendelijke mensen veel verschillende contact momenten