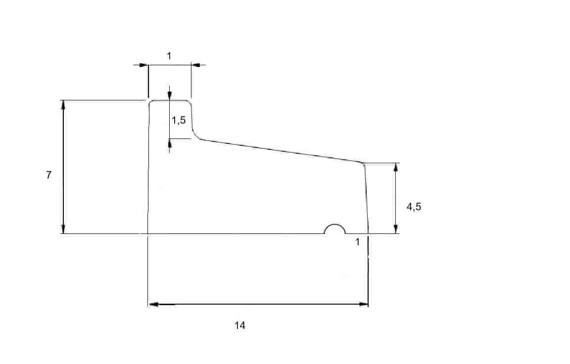
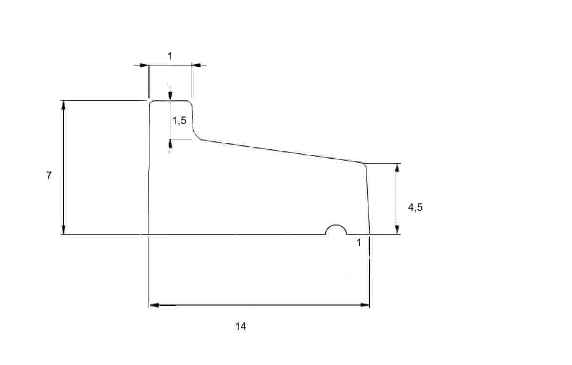
Deze raamdorpel beton 14x7/4,5 cm zorgt ervoor dat het onderliggende metselwerk is beschermt tegen vocht en regen. Raamdorpels worden ook wel buiten vensterbanken genoemd. Bovenstaande varianten zijn voorzien van een waterhol, waardoor het water niet langs de gevel naar beneden zal lopen. De achterkant van de raamdorpels is 7 cm hoog en de voorkant is 4,5 cm hoog. Verkrijgbaar tot een lengte van 210 cm in antraciet of grijs beton.
Waarom kiezen voor een raamdorpel beton 14x7/4,5 cm?
Een groot gedeelte van de ramen uit ons land is voorzien van raamdorpels. Dit vanwege de functie die deze producten vervullen, namelijk het vochtvrij houden van het onderliggende metselwerk. Dit is van belang, omdat een te grote hoeveelheid aan vocht ervoor kan zorgen dat het metselwerk zal gaan brokkelen met alle gevolgen van dien. Daarnaast dragen deze producten ook bij aan de uitstraling van de ramen.
Raamdorpels monteren
Mocht je zelf aan de slag gaan met het monteren van een raamdorpel beton 14x7/4,5 cm is het belangrijk dat je weet hoe je aan de slag moet gaan. Gebruik in ieder geval mortel om de dorpels vast te leggen en werk de voegen af met kit. Ook is het belangrijk om voorafgaand aan je bestelling de breedte en de lengte te controleren, aangezien het niet mogelijk is om dit product te retourneren.
Neem contact met ons op voor meer informatie
Voor meer informatie over een raamdorpel beton 14x7/4,5 cm is het mogelijk om de klantenservice van Betondingen te contacteren. Die kan telefonisch, via e-mail of via WhatsApp. Wij beantwoorden al je vragen in ieder geval met veel plezier, zodat jij uiteindelijk in staat zal zijn om een weloverwogen beslissing te maken wat de aanschaf van een raamdorpel beton 14x7/4,5 cm betreft.